
該機主要應用于方形不銹鋼周轉料斗的提升和加料。可與壓片機、混合機、制粒機等設備配套使用。廣泛應用于制藥、化工、食品等行業中。
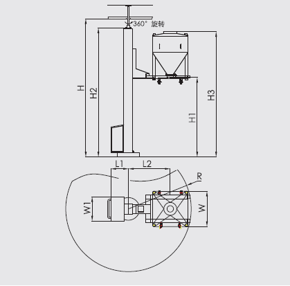
該機只要由立柱、轉動底盤、提升叉架、液壓系統和控制系統組成。工作時將裝滿物料的料斗推入提升叉架上,操作提升操作桿,將料斗提升到加料高度后轉動立柱與加料設備對接,打開出料蝶閥,使物料轉移到下一工序設備。
該機是我公司較廣吸收、消化國外技術,結合我國國情研發的新機型。其結構合理,運行穩定,安全性能高,設有多重安全防護,設有旋轉剎車,下料位設有安全鎖。



上一篇:ZSL-Ⅲ系列真空上料機
下一篇:YS流化床料斗提升卸料機